top of page
1300 55 1216
HOME
ABOUT
PRODUCTS
CHAR-LYNN MOTORS
MOTORS MGG
EATON POWER STEERING
EATON PUMPS & MOTORS Heavy Duty
EATON PUMPS & MOTORS Medium Duty
PARKER COMMERCIAL PUMPS & MOTORS
PARKER PUMPS PVP Series
PARKER TORQMOTORS
PARKER DENISON PUMPS
QMN HYDRAULIC CYLINDERS
VICKERS SEAL KITS & CARTRIDGE VALVES
CONTACT
NEW ACCOUNT
More
Use tab to navigate through the menu items.
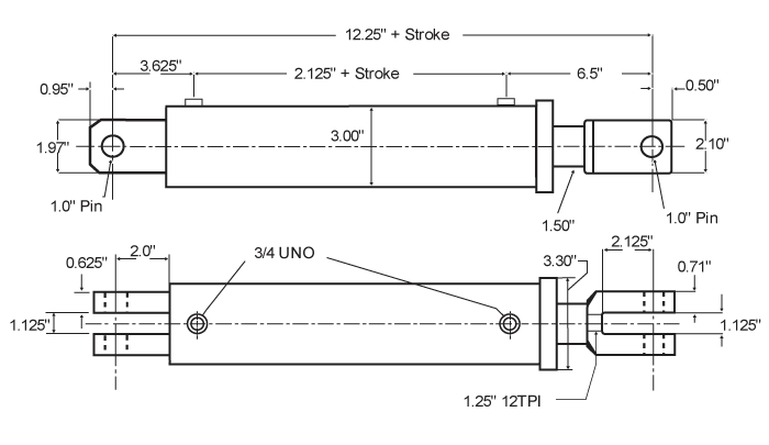
INDUSTRIAL CYLINDERS - 2.5" Bore
Max Pressure 3,500psi
6.6 tonne capacity at 3,000psi
> View IND range
STANDARD PORT
NON STANDARD PORT
bottom of page